

戶內高壓(yā)三(sān)工位真空斷路器戶內固封式三工(gōng)位真空斷路器(qì)主要集真空斷路器(qì)、隔離開關、接地開關、傳感器、聯鎖機構、操作機構於—體,產品設計為側(cè)裝式(shì),可倒裝。廣泛使用於工礦企業、高層建築、住宅小區、學校等作為7.2kV及10kV電力配電係統環(huán)網供電和終端配電之用。
該產品可替換傳統固定式開關櫃XGN2/XGN15/XGN66
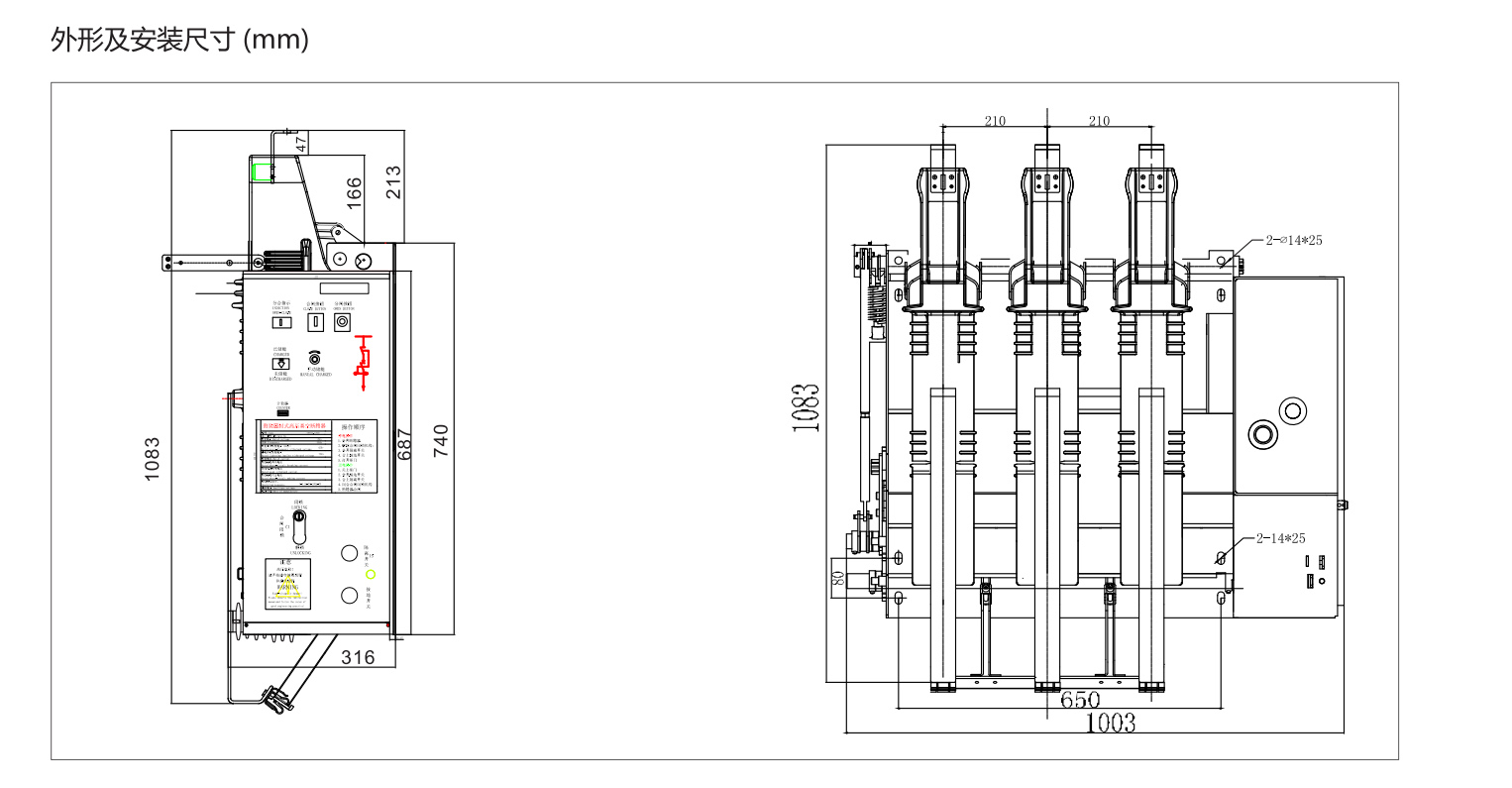
特點
1、固封斷路器,隔離開關,接地開關獨立操作
2、可配櫃(guì)體尺寸:(480×1000×1800)mm
3、空氣絕(jué)緣,外形尺寸小,綠色環保
4、五防連鎖簡單,完善,可靠
上海(hǎi)十大黄软件免费最新版下载電(diàn)氣成立(lì)於2011年(nián),注冊於素(sù)有“國際花園城市”美譽的鬆江區。經過(guò)多年的發展,公司過硬的產品,出(chū)色的服務,一流品的牌形(xíng)象,贏得了廣大用戶的長久青(qīng)睞。...了解(jiě)更多>>
上海十大黄软件免费最新版下载電氣有限公司
泖港鎮中(zhōng)民路559弄1號
電話:+86-021-67752215
全國統一客服熱線:400-820-7720
網址:www.hnrzt.com